Основные функции ресивера РВ 270/16:
- накопление и хранение используемого в технологическом процессе сжатого воздуха;
- стабилизация давления и сглаживание пульсаций воздушного потока в пневматической системе;
- обеспечение работы компрессора в оптимальном для него режиме;
- уменьшение числа перепусков компрессора;
- сбор конденсата и его отвод через пробку для слива;
- охлаждение сжатого воздуха в системе.
Монтаж ресивера
Установка ресивера предполагается на открытых площадках в местах, исключающих скопление людей, или отдельно стоящих зданиях.
Установка ресивера должна обеспечить возможность осмотра, ремонта и очистки его с внутренней и наружной сторон. До начала монтажа необходимо:
- проверить наличие комплекта технической и товаросопроводительной документации;
- комплектность поставки в соответствии с технической и товаросопроводительной документацией;
- проверить общее состояние ресивера на отсутствие повреждений, забоин, вмятин, деформаций, возникших при транспортировании и (или) хранении.
Монтаж ресивера предусматривает:
- установку и выверку ресивера на специальном фундаменте;
- монтаж трубопроводов;
- установку необходимой арматуры, контрольно-измерительных и предохранительных устройств;
- пуско-наладочные работы.
Присоединить воздушную магистраль к ресиверу, исключив возможность возникновения дополнительных напряжений от веса ее и температурных удлинений.
Ресивер должен быть заземлен в соответствии с требованиями ПУЭ.
При вводе в эксплуатацию ресивер не подлежит регистрации в органах Ростехнадзора, так как для сосудов, работающих со средой 2-й группы (согласно ТР ТС 032/2013) при температуре стенки не выше 200°С, произведение значений рабочего давления (МПа) и вместимости (м3) не превышает 1,0 (п.215 ФНП).
Для увеличения ресурса ресурса и повышения надежности работы ресивера рекомендован периодический контроль сварных соединений, проверка арматуры, измерительных приборов и предохранительных устройств, а также обследование защитного покрытия и поддержание его в надлежащем состоянии.
Ресивер поставляется в комплекте с манометром, предохранительным клапаном и паспортом сосуда, работающего под давлением. Транспортирование осуществляется любым видом транспорта с учетом требований Правил, действующих для соответствующего вида транспорта. Для упаковки применяются дощатые ящики (обрешетка). Способ хранения должен обеспечивать сохранность качества ресивера, предохранять его от коррозии, загрязнения, механических повреждений и деформации. При сроках хранения более года, при условии хранения в закрытом неотапливаемом помещении, должна быть произведена переконсервация.
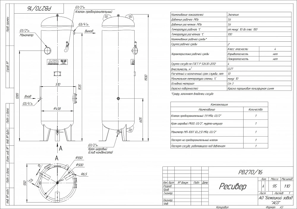
Комплектация воздушного ресивера:
- Клапан предохранительный 1,9МПа 1/2"
- Кран шаровой PN-16 1/2" (муфта-штуцер)
- Манометр ТМ 510Т (0...2,5) МПа 1/2"
Для покупки товара в нашем интернет-магазине выберите понравившийся товар и добавьте его в корзину. Далее перейдите в Корзину и нажмите на «Оформить заказ» или «Быстрый заказ».
Когда оформляете быстрый заказ, напишите ФИО, телефон и e-mail. Вам перезвонит менеджер и уточнит условия заказа. По результатам разговора вам придет подтверждение оформления товара на почту или через СМС. Теперь останется только ждать доставки и радоваться новой покупке.
Оформление заказа в стандартном режиме выглядит следующим образом. Заполняете полностью форму по последовательным этапам: адрес, способ доставки, оплаты, данные о себе. Советуем в комментарии к заказу написать информацию, которая поможет курьеру вас найти. Нажмите кнопку «Оформить заказ».
Гарантийный период – это срок, во время которого клиент, обнаружив недостаток товара имеет право потребовать от продавца или изготовителя принять меры по устранению дефекта. Продавец должен устранить недостатки, если не будет доказано, что они возникли вследствие нарушений покупателем правил эксплуатации.
- с момента передачи товара потребителю, если в договоре нет уточнения.
Обслуживание по гарантии включает в себя:
- дефектовка и определение гарантийного случая на базе нашего сервисного центра;
- устранение недостатков товара в нашем сертифицированном сервисном центре;
- транспортные расходы по доставке до нашего сервисного центра покупатель берет на себя.


